Bạn đang đau đầu vì chiếc xe Howo “khó ở”, đèn báo lỗi nhấp nháy liên tục mà không rõ nguyên nhân? Hay hệ thống điện chập chờn khiến công việc trì trệ? Đừng lo lắng, chìa khóa để giải quyết những vấn đề này nằm ngay trong sơ đồ mạch điện xe howo. Nhiều tài xế và thợ sửa chữa thường e ngại khi nhìn vào những bản vẽ chằng chịt ký hiệu, nhưng thực chất, việc hiểu và sử dụng chúng lại đơn giản hơn bạn nghĩ rất nhiều. Bài viết này sẽ là “tấm bản đồ” chi tiết, giúp bạn giải mã toàn bộ hệ thống điện phức tạp của dòng xe tải mạnh mẽ này, từ đó tự tin “bắt bệnh” và xử lý sự cố một cách chuyên nghiệp. Dòng xe tải nặng này vốn nổi tiếng về sức mạnh và độ bền, thực tế có đến 21 ưu điểm nổi trội của xe tải nặng Howo Sinotruck Euro 5 mà các bác tài tin dùng, nhưng hệ thống điện vẫn là một khía cạnh cần được quan tâm đặc biệt.

Sơ đồ mạch điện xe Howo tổng quan và vai trò quan trọng trong việc chẩn đoán lỗi hệ thống điện
Tại Sao Sơ Đồ Mạch Điện Xe Howo Lại Quan Trọng Đến Vậy?
Hãy tưởng tượng hệ thống điện của xe Howo như một mạng lưới giao thông phức tạp trong thành phố. Dòng điện là những chiếc xe, còn dây dẫn, cầu chì, rơ le là những con đường, cây cầu và trạm kiểm soát. Khi “tắc đường” (chập, đoản mạch) hay “đèn tín hiệu hỏng” (cảm biến lỗi), cả hệ thống sẽ hỗn loạn.
Lúc này, sơ đồ mạch điện xe howo chính là tấm bản đồ giao thông toàn diện nhất. Nó cho chúng ta biết:
- Lộ trình của dòng điện: Dòng điện đi từ đâu (ắc quy), qua những “trạm” nào (cầu chì, công tắc), và đi đến đâu (đèn, còi, động cơ…).
- Vị trí các “chốt chặn”: Vị trí chính xác của từng bộ phận như hộp cầu chì, ECU, các cảm biến và rơ le.
- Thông số kỹ thuật: Loại dây, màu sắc dây, giá trị cầu chì… giúp thay thế và sửa chữa chính xác.
“Không có sơ đồ mạch điện, việc sửa chữa điện xe tải chẳng khác nào mò kim đáy bể. Sơ đồ là công cụ không thể thiếu giúp chúng tôi chẩn đoán lỗi nhanh gấp 5, thậm chí 10 lần so với làm mò.” – Anh Lê Văn Mạnh, chuyên gia kỹ thuật điện ô tô tải với 15 năm kinh nghiệm chia sẻ.
Việc nắm vững sơ đồ không chỉ giúp bạn tiết kiệm thời gian, chi phí sửa chữa mà còn đảm bảo an toàn, tránh những hư hỏng nặng hơn do chẩn đoán sai.
Cấu Trúc Cơ Bản Của Hệ Thống Điện & Sơ Đồ Mạch Điện Xe Howo

Để đọc hiểu sơ đồ, trước hết chúng ta cần làm quen với các “nhân vật” chính trong hệ thống điện của xe Howo. Một chiếc xe tải hiện đại không chỉ đơn thuần là máy móc cơ khí; nó là một tổ hợp công nghệ phức tạp. Để hiểu rõ hơn về bản chất của loại phương tiện này, bạn có thể tham khảo bài viết xe tải là gì, từ đó có cái nhìn tổng quan hơn về các hệ thống tích hợp bên trong.
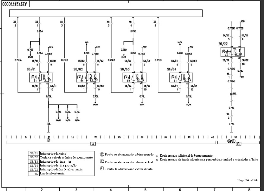
Hệ thống điện xe Howo thường được chia thành các khối mạch chính, và trên sơ đồ, chúng được thể hiện qua các ký hiệu và đường nối.
Các Ký Hiệu Và Mã Màu Cần Nắm Vững
Mỗi sơ đồ đều có một bảng chú giải (Legend) riêng. Tuy nhiên, có những ký hiệu và quy ước màu dây gần như là tiêu chuẩn quốc tế mà bạn nên biết:
- Ký hiệu:
- M (Motor): Động cơ điện (gạt mưa, nâng kính…).
- S (Switch): Công tắc.
- G (Ground): Điểm nối mát, nối với khung xe.
- F (Fuse): Cầu chì.
- Relay: Rơ le.
- ECU (Engine Control Unit): Hộp điều khiển động cơ, bộ não của xe.
- Mã màu (thường gặp):
- B (Black): Dây mát.
- R (Red): Dây dương, thường có điện trực tiếp từ ắc quy.
- W (White): Dây tín hiệu hoặc dây dương sau công tắc.
- G (Green): Dây tín hiệu cảm biến.
- Y (Yellow): Dây đèn hoặc các mạch phụ.
Lưu ý: Mã màu có thể thay đổi tùy đời xe (Euro 2, 3, 4, 5) và phiên bản. Luôn đối chiếu với bảng chú giải đi kèm sơ đồ của đúng dòng xe bạn đang xem.
Các Khối Mạch Chính Thường Gặp
Một sơ đồ mạch điện xe howo điển hình sẽ bao gồm các hệ thống con sau:
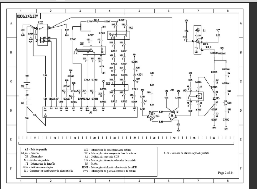
- Hệ thống khởi động: Gồm ắc quy, máy đề, rơ le đề và ổ khóa.
- Hệ thống cung cấp điện: Gồm máy phát, ắc quy và hệ thống dây dẫn chính.
- Hệ thống chiếu sáng và tín hiệu: Bao gồm đèn pha, cốt, xi-nhan, đèn phanh, còi…
- Hệ thống điều khiển động cơ: Đây là phần phức tạp nhất, liên quan đến ECU, các cảm biến (nhiệt độ, áp suất, vòng tua…) và các cơ cấu chấp hành (kim phun, bướm ga điện tử…).
- Hệ thống trên cabin: Điều hòa, gạt mưa, nâng hạ kính, hệ thống giải trí…
- Hệ thống phanh ABS, phanh khí xả: Các mạch điện điều khiển van và cảm biến tốc độ bánh xe.
Hướng dẫn cách đọc và phân tích các ký hiệu trên sơ đồ mạch điện xe Howo chi tiết cho người mới bắt đầu
Hướng Dẫn Đọc Sơ Đồ Mạch Điện Xe Howo Từng Bước
Đừng vội nản lòng khi nhìn vào một trang đầy ký hiệu. Hãy làm theo các bước sau để “chinh phục” bất kỳ sơ đồ nào:
- Xác định đúng sơ đồ: Đảm bảo bạn đang dùng sơ đồ cho đúng model xe (Howo A7, Howo 371, Sitrak…) và đúng đời xe (Euro 2, Euro 5…). Một sơ đồ sai sẽ dẫn đến chẩn đoán sai.
- Tìm hệ thống cần kiểm tra: Dựa vào mục lục hoặc tiêu đề của từng trang, tìm đến hệ thống đang gặp sự cố. Ví dụ, nếu đèn pha không sáng, hãy tìm đến “Lighting System”.
- Bắt đầu từ nguồn điện: Tìm ký hiệu ắc quy (Battery) hoặc hộp cầu chì (Fuse Box). Đây là điểm xuất phát của dòng điện.
- Lần theo đường dây: Đi theo đường kẻ biểu thị dây dẫn từ nguồn. Chú ý đến màu dây và các điểm nối (junction).
- Xác định các linh kiện trên đường đi: Xem dòng điện đi qua những linh kiện nào: cầu chì, công tắc, rơ le… trước khi đến thiết bị cuối cùng (đèn, motor…).
- Kiểm tra điểm nối mát (Ground): Mọi mạch điện đều phải có một điểm cuối nối với khung xe để tạo thành một mạch kín. Điểm nối mát lỏng lẻo hoặc bẩn là nguyên nhân của rất nhiều sự cố.
“Bắt Bệnh” Một Số Lỗi Điện Thường Gặp Nhờ Sơ Đồ
Dưới đây là một vài ví dụ thực tế về cách áp dụng sơ đồ mạch điện xe howo để chẩn đoán lỗi.
- Sự cố: Đèn pha bên tài không sáng, bên phụ vẫn sáng.
- Phân tích trên sơ đồ: Mở sơ đồ hệ thống chiếu sáng. Bạn sẽ thấy hai đèn pha thường có chung một công tắc và rơ le nhưng lại sử dụng hai cầu chì (Fuse) riêng biệt và hai đường dây riêng ra mỗi đèn.
- Chẩn đoán: Vì đèn bên phụ vẫn sáng, ta có thể loại trừ lỗi công tắc và rơ le. Vấn đề 90% nằm ở: 1. Cháy bóng đèn bên tài, 2. Cháy cầu chì của đèn bên tài, 3. Đứt dây từ cầu chì ra đèn, 4. Lỏng giắc cắm hoặc điểm nối mát của đèn bên tài.
- Sự cố: Xe không đề được, không nghe tiếng “tạch” của rơ le đề.
- Phân tích trên sơ đồ: Mở sơ đồ hệ thống khởi động. Dòng điện điều khiển rơ le đề đi từ ổ khóa -> cầu chì -> rơ le. Nếu không có tiếng “tạch”, tức là cuộn hút của rơ le không nhận được điện.
- Chẩn đoán: Cần kiểm tra theo trình tự: 1. Cầu chì hệ thống khởi động, 2. Dây điện từ ổ khóa đến rơ le, 3. Tín hiệu từ ổ khóa khi vặn chìa. Hiện tượng này là một trong những biểu hiện phổ biến khi xe tải khó nổ máy, và việc dùng sơ đồ giúp khoanh vùng nguyên nhân nhanh chóng.
“Sai lầm lớn nhất của nhiều anh em là thấy lỗi ở đâu thì lao vào thay thế linh kiện ở đó. Ví dụ, còi không kêu thì thay còi. Nhưng sơ đồ chỉ ra rằng, từ công tắc đến còi còn có cầu chì và rơ le. Rất nhiều trường hợp chỉ cần thay cái cầu chì vài ngàn đồng là xong.” – Anh Lê Văn Mạnh cho biết thêm.
Việc vận hành trên những cung đường dài cũng là một thử thách lớn đối với hệ thống điện do rung lắc và điều kiện thời tiết. Đối với những bác tài chuyên lái xe tải đường dài, việc trang bị kiến thức về sơ đồ mạch điện là một kỹ năng sinh tồn, giúp xử lý sự cố ngay trên đường.
Những Lưu Ý Vàng Khi Sửa Chữa Điện Xe Howo
- An toàn là trên hết: Luôn ngắt kết nối cọc âm ắc quy trước khi thực hiện bất kỳ thao tác nào trên hệ thống điện để tránh chập cháy.
- Sử dụng dụng cụ phù hợp: Đồng hồ vạn năng (VOM) là công cụ không thể thiếu để đo thông mạch, đo điện áp.
- Không “độ chế” cầu chì: Tuyệt đối không dùng dây đồng hay cầu chì có ampe (A) lớn hơn quy định để thay thế. Việc này có thể gây cháy dây và hư hỏng thiết bị, thậm chí là cháy xe.
- Kiểm tra kỹ các giắc cắm: Các giắc nối bị oxy hóa, lỏng lẻo là nguyên nhân phổ biến gây ra các lỗi điện chập chờn.
- Chú ý đến hộp ECU: Hệ thống điện đời mới rất nhạy cảm. Hộp điều khiển động cơ, hay còn gọi là ECU, đóng vai trò như bộ não trung tâm. Việc hiểu về chức năng của nó và các thiết bị liên quan như hộp đen là rất cần thiết. Để tìm hiểu thêm, bạn có thể xem bài viết giải thích hộp đen xe tải là gì và vai trò của nó trong quản lý xe.
Kết Luận
Việc đọc và hiểu sơ đồ mạch điện xe howo không phải là một kỹ năng cao siêu mà hoàn toàn có thể học được. Nó là người bạn đồng hành đáng tin cậy, giúp bạn từ một người dùng xe đơn thuần trở thành một người chủ xe thông thái, có khả năng tự chẩn đoán và xử lý các sự cố điện cơ bản. Bằng cách tiếp cận một cách có hệ thống, bắt đầu từ những khái niệm cơ bản và lần theo từng bước, bạn sẽ thấy rằng những bản vẽ phức tạp kia thực chất lại rất logic và hữu ích. Hãy lưu lại bài viết này như một cẩm nang để tham khảo mỗi khi chiếc xe Howo của bạn gặp vấn đề về điện.
Các Câu Hỏi Thường Gặp (FAQ) Sơ Đồ Mạch Điện Xe Howo
1. Tôi có thể tìm sơ đồ mạch điện xe Howo chính xác ở đâu?
Bạn có thể tìm trong sách hướng dẫn sửa chữa đi kèm theo xe, các diễn đàn ô tô tải uy tín, hoặc liên hệ với các đại lý, trạm dịch vụ ủy quyền của Sinotruk Howo để có được tài liệu chính xác nhất cho đời xe của mình.
2. Làm thế nào để phân biệt sơ đồ điện xe Howo Euro 2 và Euro 5?
Sơ đồ điện xe Howo Euro 5 phức tạp hơn đáng kể so với Euro 2 do có thêm hệ thống xử lý khí thải (SCR) và rất nhiều cảm biến điện tử để đáp ứng tiêu chuẩn khí thải. Sơ đồ Euro 5 sẽ có các bộ phận như ECU, cảm biến NOx, bơm AdBlue… mà Euro 2 không có.
3. Tại sao màu dây điện trên xe tôi không giống trong sơ đồ?
Có thể do bạn đang xem sai sơ đồ (không đúng đời xe, phiên bản) hoặc xe đã từng được sửa chữa và thợ trước đã thay dây không đúng màu tiêu chuẩn. Trong trường hợp này, hãy dựa vào vị trí chân cắm trên các giắc nối để xác định thay vì chỉ dựa vào màu sắc.
4. Sơ đồ mạch điện có giúp tôi tìm ra lỗi kim phun điện tử không?
Có. Sơ đồ sẽ chỉ cho bạn đường dây tín hiệu từ ECU đến từng kim phun. Bạn có thể sử dụng nó để kiểm tra xem dây có bị đứt hay không, hoặc nguồn điện cấp cho kim phun có ổn định hay không, từ đó khoanh vùng được lỗi do dây dẫn, giắc cắm hay do chính kim phun.
5. Có cần phải là thợ chuyên nghiệp mới đọc được sơ đồ mạch điện không?
Không hẳn. Nếu bạn là một tài xế hoặc chủ xe ham học hỏi, bạn hoàn toàn có thể học cách đọc các mạch điện cơ bản như đèn, còi, đề… để xử lý những sự cố đơn giản. Đối với các hệ thống phức tạp như ECU hay ABS, nếu không chắc chắn thì nên nhờ đến thợ chuyên nghiệp.
